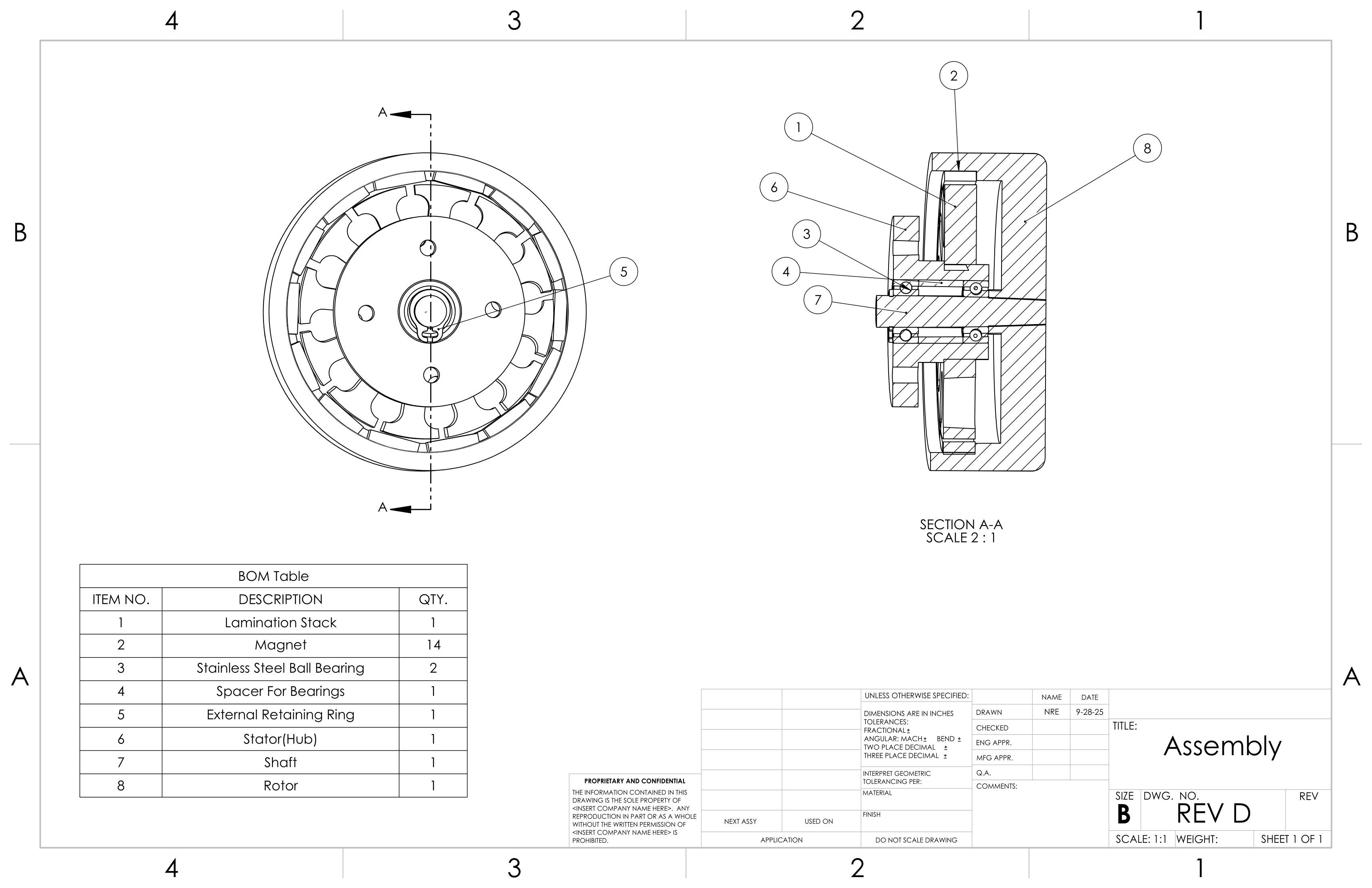
Gallery

Take a look at our generator CAD!

Look through the models and drawings of our generator by using the buttons below. Use the model viewer to view the part in 3D and click the drawing to get a better view of the drawing.